电路板设计人员通常使用TVS二极管阵列来为以太网端口提供保护。在许多情况下,设计人员为了保持设备的可靠性,主要针对四种主要的威胁而采取保护:
雷电感应浪涌
(IEC61000-4-5, GR-1089, ITU)
ESD,即静电放电
(IEC61000-4-2)
EFT,即电气快速瞬变
(IEC61000-4-4)
CDE,即电缆放电事件
了解以上所列事件的性质和“方向性”,将有助于指导设计人员如何最好地对以太网端口进行保护、更重要的是,器件的引脚连接将如何影响系统的性能。以下小节中提供的信息会参考到图1,以更好地说明一些要点。

图1:使用TVS二极管阵列为以太网介面提供二阶段式防雷保护
以太网端口的威胁
雷电感应浪涌
根据所遵循的标准或规则,雷击浪涌可以是差模或是具有不同波形的共模。在差模中,测试设备的正极端子和负极端子之间连接着两个导体或引脚(即J1和J2),因此在RJ-45端口上进入的能量只在这两个导体之间出现(见图2)。该能量将在线路侧的保护器件(这里显示的是Semiware的SELC03CI系列、TVS二极管阵列)上消散,但部分能量也会传递到变压器,在变压器的驱动端上、或如这个例子所示的Tx+和Tx-数据线之间造成差模事件。
对于共模测试,个别导体或数据线自身将就GND进行测试。测试设备的正极端将连接到所有导体或引脚(即J1、J2、J3和J6),负极端连接到GND(见图2)。在这种情况下,假设线路阻抗紧密匹配,在SELC03CI器件上消散的能量将是非常少量的。大部分的能量将通过变压器的磁性材料而电容性耦合至变压器的驱动端,变为以太网PHY的共模事件。

图2:以太网介面的差模和共模测试设置(仅用于快速以太网)
Test generator:测试发生器
Differential setup:差分设置
Common-mode setup:共模设置
静电放电(ESD)
评估设备的ESD抗扰性(按照IEC61000-4-2标准)可以通过接触或空气放电进行。注入ESD有多种方法,但是在所有情况下,由于释放的能量关系到GND,ESD脉冲在电路上是以共模事件出现的。
电气快速瞬变(EFT)
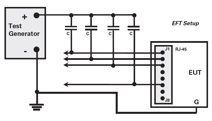
检查设备的EFT抗扰性(按照IEC61000-4-4标准)与对共模雷击浪涌所做的测试非常相似。在图3所示的比较典型的配置中,所有导体(或引脚)均是电容性耦合至测试发生器的正极端,且对于GND显示“激增”。如果数据线均衡良好,在组对之间将不会有差分能量,但是变压器的耦合电容会再次将共模能量转移到驱动端,即使是以较低的水平。
电缆放电事件(CDE)
CDE是一种应该与静电放电(ESD)加以区分、并作单独考虑的现象。双绞电缆的特点和其环境的知识在了解CDE上起着重要的作用。频繁变化的电缆环境还增加了在防止CDE损害上的挑战。系统设计人员通过良好的布局做法和精心的元件选择可以最大限度地进行CDE保护。IEEE 802.3标准规定了2250 VDC和1500 VAC的隔离电压,以防止可能由产生自CDE事件的高电压导致的连接器故障。为了防止在这些事件中的电弧作用,这些隔离要求适用于RJ-45连接器,以及隔离变压器。为了防止电路板上的介电故障和火花产生,线路侧印刷电路板和地面应该在走线之间有足够的爬电距离和间隙。实验室测试结果显示,要承受2000V的瞬态电压,FR4电路板迹线间距应该有至少250密尔的分隔距离。UTP电缆放电事件所产生的电压可高达几千伏,并具有极大的破坏性。电荷累积主要源自于两方面:摩擦电(摩擦)效应和电磁感应效应。

图3:以太网介面的典型EFT测试设置(仅用于快速以太网)
在尼龙地毯上拉一条PVC包覆的CAT5 UTP电缆,会导致在电缆上的电荷积聚,从而产生这些效应。同样,在从导线管拉出电缆或在其他网络电缆上拖拉电缆时也会产生电荷积聚。这种电荷积聚与脚擦过地毯的类似。电荷积聚仅当电缆未连接以及电荷未能得到及时耗散时发生(即,电缆的两端都没有插入系统)。此外,要造成实质性损害,累积的电荷还需要得到保存。新的CAT5和CAT6电缆具有非常低的介电泄漏,且倾向于长时间留存电荷。在相对湿度低的环境下,电荷留存时间会增加。当带电的UTP电缆插入到RJ-45网络端口时,有多种可能的放电路径。瞬态电流经由的是最低电感路径,这条路径可能是在RJ-45连接器上、印刷电路板(PCB)的两个迹线之间、变压器中、通过鲍勃史密斯AC终端、或通过硅器件。取决于电缆的长度,累积的电荷可能是一个典型ESD模型电荷的几百倍。
这种紧接着发生的高能量放电可能会损坏连接器、变压器电路、或以太网收发器。双绞线电缆的作用相当于一个存储电荷的电容。有研究表明,在未连接的双绞电缆上会积聚数百伏的电荷。此外,一根完全放电的电缆可以在一小时内积聚一半的潜在电荷。一旦带有电荷,优质的电缆对大部分电荷的留存时间超过24小时。下图4中说明了不同长度的CAT5电缆随时间变化的电荷积聚情况。由于较长的电缆具有存储更多电荷的能力,因此对于具有超过60米长度电缆的系统应采取额外的CDE防范措施。

图4:不同长度的CAT5电缆随时间变化的电荷积聚情况
Voltage:电压
Time(minutes):时间(分钟)
另一个需要了解的因素是CDE波形,因为其不同于前面所论述的任何一种威胁,根据耦合机制的不同,它可以是差模的也可以是共模的。此外,初步研究表明,其具有大幅度变化的特点,但总体而言,CDE波形具有高能量且同时显示电压和电流驱动。这种波形在几百纳秒的时间内散布,带有快速的极性倒转。
下面的图5显示的是一个破坏性CDE波形的例子,它在25英尺双绞电缆被充电至1.5千伏之后出现在以太网PHY的发送器引脚上。随着事件期间600纳秒时间的推移,在差分波形上可以看到从正电压到负电压有64.8伏的变化。在这个试验中,该PHY的发射器被破坏,无法在网络上传输数据包。
从板级设计人员的角度来看,以太网系统的设计和布局应关注CDE,并将首要重点放在从IC器件上分流能量。系统设计考虑包括添加TVS二极管阵列和耦合变压器本身。变压器电路将有助于防止共模瞬变,但高能量瞬变应具有一个接地路径。

图5:在25英尺双绞电缆被充电至1.5千伏后, 在以太网PHY中显示多种CDE放电波形
选择合适的电路保护器件
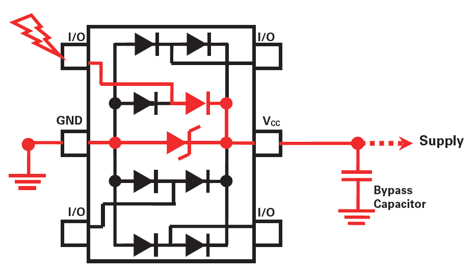
保护PHY或者驱动端的器件的I/O引脚始终连接至差分线对,如图1所示。然而,不同于线路侧保护器,这种器件的GND引脚可以被连接至本地GND平面,且Semiware 建议采用这种配置。如果GND引脚没有被连接,那么保护器件(在这个例子中为SRV05-4)将会成为一种仅为差模的保护器,且可能会使破坏性共模事件通过未钳制的PHY。此外,应该注意,即使GND引脚已连接,一旦电压差超过内部TVS击穿电压加上两个二极管的电压降,SRV05-4器件将仍然会保护防止差模事件。
至于在大多TVS二极管阵列中常见的剩下的这个引脚,引脚5,Vcc,Semiware还建议将其连接至本地电源,如5伏、3.3V电源。(注意:应该确保保护器件的对峙电压(VRWM)远高于电源电压,以防止激活或打开内部TVS二极管。)
通过连接SRV05-4器件的Vcc引脚,由于电气瞬变将会经由的两条独立的放电路径(如图6中红色所示),设计人员将可获得更好的整体钳位。它可以简单地被认为是一个电阻分压器,瞬变通过控向二极管进入,并经由两条路径:一条由内部TVS至GND,另一条通过电源或一个外部旁路电容至GND。总而言之,将引脚5连接至电源会带来更好的钳位性能,为以太网PHY提供更好的整体保护。

图6:电流进入TVS二极管阵列和引脚以带来最佳化的钳位性能
Bypass capacitor:旁路电容
Supply:电源
偏置这个Vcc引脚的另一个好处是其可以降低从I/O到GND的电容,这与使其保持浮动或不进行连接是完全不同的。应该参考用于保护以太网PHY的特定器件的数据手册,以为设计人员提供这个将部分依赖于Vcc偏置电平的电容。下面的图7是SESRV05-4的图示,仅供参考。

图7:TVS二极管阵列电容与偏压
Capacitance:电容
DC Bias:直流偏压
SESRV05-4系列TVS瞬态抑制二极管资料
产品特性:
SESRV05-4系列静电抑制器产品,具有漏电流小,反应速度快(nS级),极间电容小,可靠性高等特性,被广泛应用于安防监控,网络通讯,汽车电子,白色家电,工业控制等领域的信号接口ESD静电防护。
> 采用标准表面贴装式SOT-23-6L封装
> 快速的响应时间
> 出色的箝位能力
> 漏电流小
> 不含卤素且符合RoHS及Reach测试标准
数据手册:
结论
在使用TVS二极管阵列来进行以太网端口保护时,设计人员应始终对其试图防止的威胁保持警惕。在大多数情况下,这些威胁是差模事件和共模事件的组合,当保护器件正确连接时,这些事件都能得到有效钳制。线路侧保护元件仅限于差模事件保护,但是驱动端或PHY侧保护器件应被连接至GND以及本地电源。这将能提供最好的钳位性能,并最大限度地提高以太网端口的可靠性。
关于Semiwell
Semiwell 拥有过电压保护器件系列产品的完善产品阵容。公司凭借其在半导体领域的技术和终端产品的应用背景,为电子、汽车和工业市场上的客户提供服务。如果您有技术问题,请按以下方式联系技术支持团队:邮箱:sales06@semiwell.com.cn; 电话:86-21-5484-1002; 免费技术支持热线:400-021-5756 ;如需了解更多信息,请访问semiwell 官方网站:https://semiwell.com/
评论 (0)